试题详情
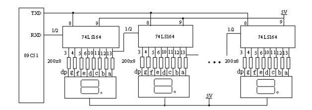
- 简答题如图是MCS51串口配合8位并行输出串行移位寄存器74LS164扩展输出口的LED显示原理图。编写程序将1,2,3,4,5,6,7,8送到8位LED中去显示。
关注下方微信公众号,在线模考后查看
热门试题
- I/O接口在工业控制领域中,能与哪些设备
- 凡是操作数为寄存器的指令都是寄存器寻址方
- MCS-96串行口的操作模式中,()为同
- 对8155进行初始化编程时,需使用()。
- 单片机应用系统包括()
- 表示串行数据传输速度的指标为()。
- 扫描计数器在译码工作方式下,最大的键扫描
- 如图是MCS51串口配合8位并行输出串行
- 单片机系统复位后,(PSW)=00H,因
- MCS-52单片机片内共有()字节单元的
- 若(A)=98H,CY=1,则执行指令“
- 同时同级的多中断请求,将形成阻塞,系统无
- 特殊功能寄存器SP是()。
- MDS的软件配置包括()
- 在MOVX A
- MCS-51全部指令按其长度可分为()
- 在串行通信中,数据传送方向有()、()、
- 8051单片机定时器/计数器作为定时和计
- 8031单片机复位后,其程序计数器PC的
- 按键的机械抖动时间参数通常是:()