试题详情
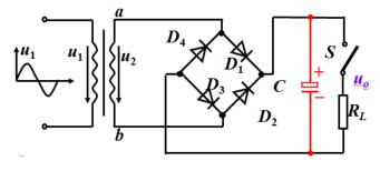
- 单项选择题对于如下图所示桥式整流滤波电路,断开开关后输出电压uo与u2的关系是()。

A、uo=0.45u2
B、uo=0.9u2
C、uo=1.2u2
D、uo=1.4u2
- D
关注下方微信公众号,在线模考后查看

热门试题
- ()是用作放大电路的输出级,以驱动扬声器
- 高频调谐功率放大器集电极电流脉冲展开系数
- 叠加原理,戴维宁定理适用于()电路。
- 若设AM广播电台容许占有的频带为15MH
- 如图所示电路为应用集成运放组成的测量电阻
- 十进制数为16,转换为二进制代码为()。
- 在简单稳压电路中,稳压环节包括()和()
- 组合逻辑电路的输出,与电路的原状态()
- 三位二进制编码器有()个输入端;()个输
- 交流电经变压后的输出电压位u2
- 在画放大电路的交流通路时,电容视为()。
- 在调制通信系统中,作为载波使用的信号处于
- 使用指针式万用电表应注意什么问题?
- LC组成一个串联谐振回路,谐振频率f
- 锁相环路环路滤波器的作用()。
- 网孔电流法是以()电流为参变量列写KVL
- 半导体的特性是什么?
- 已知 x=10101110,y=1001
- 由555定时器构成的单稳态触发器,改变控
- 1+A=1