试题详情
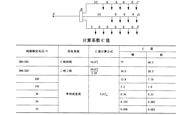
- 简答题	试计算某220V/380V照明线路的电压损失,各负荷分布的线段长度如图所示。干线AB段(三相)长20m,导线截面为6mm2;分支线均为单相,导线截面为4mm2。各支线所接的照明灯均为750W(白炽灯);所有导线均为铜芯导线。 
- 
	   
- 关注下方微信公众号,在线模考后查看 
 
热门试题
- 不同金属、不同规格、不同绞向的导线,()
- 单灯补偿
- 光源的平均寿命是指同批寿命试验灯所测得寿
- 终端杆、丁字杆及耐张杆的承力拉线应与()
- 简述ZigBee无线通信技术应用于道路照
- LED道路照明灯具在单侧布置及双侧布置时
- 箱式变电站高压开关设备运行前应做工频耐压
- 灯具的反光器应干净整洁,表面应无明显()
- 路灯系统单灯或集中电容补偿,在日常运行中
- 验收路灯安全保护工程时其接地电阻测量不应
- 箱式变电站、落地式配电箱混凝土基础平面应
- 功率较大的高压钠灯宜配用电子镇流器。
- 功率因数的大小与负载的感抗大小有关,与负
- 停电作业必须挂接地线,并应挂在作业范围的
- 高压钠灯的触发电压大约为2500伏左右。
- 实际使用的稳流电源是一种具有高内阻的的电
- 支路的环境比应≥0.5。
- 光源的额定电流
- 线圈中感应电动势的方向总是企图使它所产生
- 什么是TN系统?TN系统主要有哪两种形式