试题详情
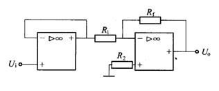
- 简答题 下图所示电路中,已知电阻Rf=5R1,输入电压Ui=5mV,求输出电压U0。

-
A1为输出跟随器,U01=Ui1=5mV;第二级运放A2为差分减法运算电路,
所以:
关注下方微信公众号,在线模考后查看

热门试题
- 二进制,十进制的代码和计数规律是什么?
- 串联稳压电路有四个基本组成部分,()、基
- AM信号中,设载波信号的幅度为Ucm,调
- 下面符号中,()属于NPN三极管的符号。
- 简诉低级格式化与高级格式化的区别?
- 时序逻辑电路按各位触发器接受()信号的不
- 高电平调幅器应用在()。
- 受控源主要有哪几种?
- 作为校准其它仪表的标准仪表,它的准确度应
- 在通信系统中,信号的描述正确的是()。
- 简述二极管的特性。
- 晶闸管的额定电压为()。
- 互补对称功率放大电路主要是要求输出()。
- 硅稳压管正常工作在什么状态?主要参数有哪
- RC正弦波振荡电路有?(至少2点)
- 在稳压管稳压电路中,利用稳压管的()特性
- 三相交-交变频电路主要有两种结线方式,公
- 由于电容器中储存的能量不能突变,所以电容
- 在画放大电路的交流通路时,直流电压源视为
- 高频调谐功率放大器的动态特性中,确定动态