试题详情
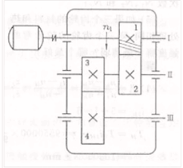
- 简答题 图示为二级圆柱齿轮减速器,高速级和低速级均为标准斜齿轮传动。
已知:电机功率P=3KW;转速min 计算时不考虑摩擦损失,求: (1)为使Ⅱ轴上的轴承所受轴向力较小,确定齿轮3、4的螺旋线方向(可画在图上); (2)求齿轮3的分度圆螺旋角的大小; (3)画出齿轮3、4在啮合处所受各分力的方向(画在图上),计算齿轮3所受各分力的大小; 
-
(1)齿轮3左旋,齿轮4右旋;

(4)齿轮3、4在啮合处受各分力的方向如图。
齿轮3所受各分力的大小
关注下方微信公众号,在线模考后查看

热门试题
- 联接中常用的螺纹是()
- 两构件构成运动副的主要特征是()
- 滚动轴承的当量动载荷是指轴承寿命为10<
- 螺栓的标准尺寸为中径。
- 有一普通圆柱蜗杆传动,已知蜗杆头数z
- 滑动轴承采用间歇润滑的供油装置常用的有哪
- 一对减速齿轮传动,若保持两齿轮分度圆的直
- 相互啮合的齿轮,齿面接触疲劳强度通常不等
- 平键的长度L由()确定
- 请简述复杂动作功能的求解思路是什么。
- 轴承的基本额定寿命是指90%可靠度、常用
- 图示传动中,蜗杆传动为标准传动:m=5m
- 所有的啮合传动,其瞬时传动比一定是常数。
- 在轴上的同一轮毂处安装两个普通平键时,一
- 转轴设计成阶梯形的主要目的是()
- 如下图所示圆柱齿轮—蜗杆传动
- 螺栓联接螺纹牙间载荷分配不均是由于()。
- 常见的连接螺纹是()
- 链传动的额定功率曲线的顶点左侧的斜线是由
- 普通平键是()其剖面尺寸一般是根据()按