试题详情
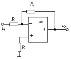
- 单项选择题	放大电路如下图所示,当RF增加时,该电路的通频带()。	

 A、变宽
B、变窄
C、不变
- B
 关注下方微信公众号,在线模考后查看

热门试题
- 如图所示的放大电路()。
 - 下列叙述正确的是()。
 - 什么叫短路?
 - 下面关于Lucene描述不正确的是()。
 - SF6断路器的每日巡视检查中应定时记录气
 - 高温场所不宜用()。
 - 特征谱线
 - 利用电晕的有利效应不可()。
 - 电磁转差离合器调速又称滑差调速(简称电磁
 - 变压器常用的绝缘材料有变压器油、电话纸、
 - 直流发电机工作在发电状态时电枢感应电动势
 - 变压器系_________、______
 - 消弧线圈接地系统中在高土壤电阻率地区的接
 - 爆炸性粉尘环境10区、11区内电缆线路(
 - 恒定水位柱形滤水器如图6-34所示,已知
 - 雷电冲击截断时间是视在原点与截断过零时的
 - 禁止作业人员擅自()遮栏(围栏)、标示牌
 - 差分放大电路是为了()而设置的。
 - 变压器的噪音测量应最少测量8个点.( )
 - B类电气装置可采用下列()设施作为保护线