试题详情
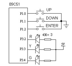
- 简答题根据图的电路原理,设计一个独立式键盘管理程序,在检测到键按下时,点亮对应的LED。键闭合时,采用软件延时消抖的处理,键释放时不加消抖动处理。
关注下方微信公众号,在线模考后查看
热门试题
- 8051中断有()个优先级。
- END表示指令执行到此结束。
- A/D转换器转换数据的传送有几种方式?
- DAC0832的双缓冲器连接方式用于单片
- MC14433的转换输出格式为()。
- 单片机中若使用频率为6MHz晶振,则复位
- 在MCS-51中,为实现P0口线的数据和
- 8051单片机的定时器T1用作定时方式时
- MCS-51单片机的地址线是()。
- 简述中断优先级的控制原则?
- MCS-51单片机执行以下哪些操作PC是
- 指令MOV A
- 下列标号中,正确的标号是()。
- 对程序计数器PC的操作()。
- 什么是单片微型计算机?
- 8051单片机的定时器T0用作计数方式时
- 目前使用的程序存储器EPROM需要使用紫
- MCS-51单片机定时器工作方式0是指的
- 与定时工作方式1和0比较,定时工作方式2
- 8096具有3个十六位定时器,分别为()