试题详情
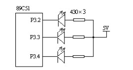
- 简答题在P3.2-P3.4三个引脚上分别接有三个发光二极管,用C51编程实现三个发光二极管依次闪亮,循环不止。电路原理图如图所示。
关注下方微信公众号,在线模考后查看
热门试题
- 通过堆栈操作实现子程序调用,首先要把()
- 时钟频率直接影响单片机的速度,电路的质量
- 在单总线结构的计算机系统中,I/O设备和
- 8051系列单片机与80C51系列单片机
- 8031单片机独立工作时,控制脚EA必须
- 若累加器A中的内容为30H,则执行如下指
- MOV R7,@R1
- 独立式按键连接的每个按键的工作状态不会影
- MCS-51外扩ROM、RAM时,它的数
- 已知一MCS—51单片机系统
- 设晶振频率为11.0592 MHz,串行
- MCS-51单片机有6个中断源。
- P0口的字节地址为
- 在使用普通按键的时候,为什么要进行去抖动
- 能为访问程序存储器提供或构成地址的有()
- 89c51单片机的中断源有:()。
- 边沿触发方式的外部中断信号是()有效。
- 定时器1工作在计数方式时,其外加的计数脉
- 对8155进行初始化编程时,需使用()。
- 在变址寻址方式中,以()作数变址寄存器,