试题详情
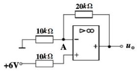
- 简答题如下图所示电路,求A点的电位等于多少V?

- 根据虚短,U+=U-,所以A点电位等于6V
关注下方微信公众号,在线模考后查看

热门试题
- 电容滤波电路适用于输出电压(),负载电流
- 高频调谐功率放大器中,EB<
- 调谐功率放大器工作状态的判定是根据与()
- 时序逻辑电路中仅有存储记忆电路而没有逻辑
- 差分放大电路能够抑制零点()。
- 功率放大电路通常作为多级放大电路的输出级
- DSB信号的特点为()。
- 射极跟随器的输出电阻大,输入电阻小。
- 简述将信号源和负载直接并在L,C元件上,
- 组合电路的特点是:任意时刻的输出与电路的
- 当高频调谐功率放大器工作在临界状态时u
- 整流是指将()电变成单向脉动直流电的过程
- 既能放大电流,又能放大电压的放大电路为(
- 试分别写出钟控RS触发器、JK触发器和D
- 差动式放大电路抑制零漂作用强,放大作用也
- 运算放大器在理想化条件下,在线性运行时的
- 目前由中国自主开发的操作系统越来越多,请
- 在多级直流放大电路中,零点漂移最严重的是
- “非”逻辑
- 下面对触发器描述错误的是()