试题详情
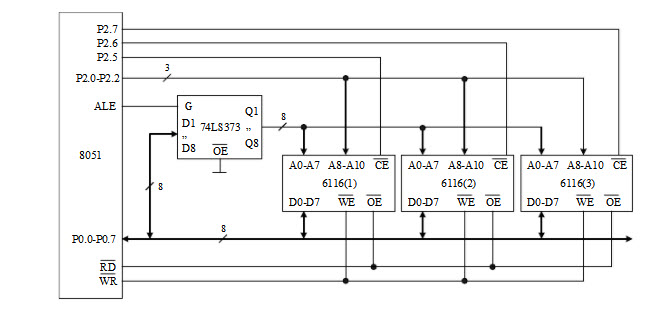
- 简答题某系统扩展的片外数据存储器如下图所示,存储器芯片选用6116(2K×8)。请问采用的译码方式是什么?每个存储器芯片的地址范围分别是多少?
关注下方微信公众号,在线模考后查看
热门试题
- 8096对于P0口
- 根据图所示电路, (1)编写LED(0-
- MCS-51外扩ROM、RAM时,它的数
- 扩展数据存储区是根据单片机应用系统的需要
- 设计一个单片机的双机通信系统,串行口工作
- 指令和程序是以()形式存放在程序存储器中
- MCS-51通用数据采集和处理系统的输入
- 堆栈的最大特点是“后进先出”的数据操作规
- 什么是D/A转化器?
- 在51单片机的4个并口中,当由OC门驱动
- 矩阵式键盘连接使用8╳8的行列结构可构成
- 电路原理如图,74LS165的输入端连接
- TPμP-40A型打印机的打印命令为15
- HSO执行中断对应的中断向量是()
- 在51单片机中,不使用T1的多机通信应采
- 在51单片机中,控制中断优先级的寄存器是
- 在MCS-51单片机中,串口的四种工作模
- 单片机是如何区分片内片外RAM的?
- 常用的LED与单片机接口电路一般分为硬件
- 若(A)=C3H,(R0)=AAH,指令