试题详情
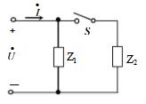
- 简答题 下图所示电路中,U=20V,Z1=3+j4Ω,开关S合上前、后
的有效值相等,开关合上后的
与
同相。试求Z2,并作相量图。 
-
开关S合上前、后
的有效值相等,说明电路总阻抗的模值等于Z1支路的阻抗模值;开关合上后的
与
同相,说明Z1、Z2两阻抗虚部的数值相等且性质相反,因此

关注下方微信公众号,在线模考后查看

热门试题
- 分压偏置电路调静态工作点时,主要应调节(
- 检波器的非线性失真系数是指输出的高频信号
- 将十进制数99化为二进制数,正确的是()
- LC串联谐振回路发生失谐时,当f>f
- 计数器只能用于计数的场合。
- 一只三极管的β=50,当IB<
- 电阻R1=300Ω
- 当放大电路中不存在反馈网路时,放大电路称
- 共模信号是指大小相等, 极性 () 的输
- 在放大电路的三种组态中,共集电路()。
- 基极调幅的原理用调制信号去控制基极的电压
- 调幅的描述()。
- 如下图所示三极管的工作状态为()
- 调频波的解调过程称为()。
- 有一位二进制数码(信号)需暂时存放应选用
- 已知电路如下图所示,忽略二极管的正向导通
- LC串联谐振回路谐振时,谐振电流最大,失
- 变压器的主磁通与负载的关系是()。
- 三极管的输入特性曲线要求集电极-发射极之
- 电感滤波电路常用在输出电压较(),负载电