试题详情
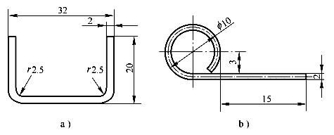
- 简答题 计算下图所示弯曲件的坯料长度。
-
关注下方微信公众号,在线模考后查看
热门试题
- 线切割加工中常用的电极丝有();();(
- 要提高电加工的工件表面质量,应考虑()
- 模具材料的抗热性能主要包括()
- 锤锻模工作时,易发生塑性变形的部位在型腔
- 电火花成形机床可加工高熔点、高度、高韧性
- 弯曲模试冲时,冲件的弯曲角度不够,产生原
- 冷挤压凹模在热处理时要采用脱氧良好的盐浴
- 对冷作摸具材料使用性能的基本要求是什么?
- 可以减轻粘模的模具表面化学热处理工艺是(
- 数控线切割机床,3B编程格式中B的含义是
- 安排加工工序时应先加工平面,后加工孔。
- 简述零件加工表面的技术要求及方案的确定
- 在光学曲线磨削过程中,判断工件余量是否去
- 根据图示的凹模简图,画出冲裁件的制件图、
- 一般来讲,研具材料的硬度比被加工材料的硬
- 工序余量
- 加快我国模具工业发展速度的措施有哪些?
- 工件的安装包括定位、夹紧和拆卸三个过程。
- 铸件毛坯适用于()的零件,锻件毛坯适用于
- 整体式凹模常用的材料是()和()。