试题详情
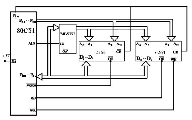
- 简答题试以一片intel 2764和一片intel 6264组成一个既有程序存储器又有数据存储器的存储器扩展系统,请画出逻辑连接图,并说明各芯片的地址范围。
-
逻辑连接图如下,地址范围为:0000H~1FFFH
关注下方微信公众号,在线模考后查看
热门试题
- 按键开关的结构通常是机械弹性元件,在按键
- 若8051单片机的引脚EA接地,表示()
- 编程将数据存储器中以2A00H为首地址的
- 8051单片机的存储器的最大特点是()与
- 指令JC 80H
- 波特的单位是()。
- 片内RAM低128个单元划分为哪三个主要
- 在C语言的复合语句中,只能包含可执行语句
- 在51单片机中,不使用T1的多机通信应采
- P0口的字节地址为
- JZ rel指令表示在()时
- 8096的控制信号线中,()是就绪控制信
- 编制中断服务程序时,为什么在主程序的初始
- MCS—5l单片机的最大程序寻址空间是(
- MCS-51单片机在同一级别里除串行口外
- MCS-51中,T0
- 外界光源亮度越高,液晶显示器的显示清晰度
- ADC0809是()。
- 以下的4条指令中,错误的指令是()。
- 单片机在作带符号数加、减运算时,若程序状