试题详情
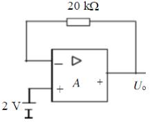
- 简答题电路如下图所示,求其输出电压Uo等于多少V?

- Uo=2V
关注下方微信公众号,在线模考后查看

热门试题
- 陶瓷滤波器工作在串联谐振频率时,阻抗()
- 如图所示三极管的输出特性曲线,试指出各区
- 高频调谐功率放大器中,晶体管的外部特性指
- 根据对输出电压平均值进行调制的方式不同,
- 试用74LS138实现下列逻辑函数(允许
- 如果晶体三极管的(),则该管工作于截止区
- 高频调谐功率放大器电路中晶体管的发射结正
- 触发器按逻辑功能分为()类。
- AM调制中的调制信号信息包含在载波中。
- LC串联谐振回路谐振时,谐振电流最大,失
- 将多级单调谐放大器级联,级联后带宽变小。
- 调谐功率放大器工作状态的判定是根据与()
- TTL参数由大到小排列正确的是()
- 射极输出器的输入电阻较(),输出电阻较小
- 并联谐振回路的归一化谐振曲线与串联谐振回
- 一个调幅发射机的载波输出功率P
- 由于电容器中储存的能量不能突变,所以电容
- 可逆计数器既能作加法计数,又能作减法计数
- RC正弦波振荡电路有?(至少2点)
- 对三相半波可控整流电路,考虑变压器漏抗,