试题详情
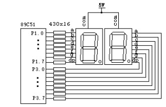
- 简答题电路原理图如图。编写程序LED显示00,每秒钟加1,至99,如此循环不止。
关注下方微信公众号,在线模考后查看
热门试题
- 试编写一段对中断系统初始化的程序,允许I
- 8051内部有4K的程序存储器。
- MCS-51单片机串行口发送/接收数据中
- MCS-51单片机复位后,当前的工作寄存
- “内部RAM” 用于存放程序
- 中断悬挂寄存器INT_PENDING为一
- 设A的内容为30H,DPTR的内容为20
- MCS-96单片机有不同的数据类型,其中
- 不能使MCS-51单片机的SP改变的指令
- 要进行多机通信,MCS-51串行接口的工
- 51单片机内部(20H-2FH)是位寻址
- 在51单片机中,利用串行口进行并口扩展时
- 高速输入单元HSI与普通的输入端口相比,
- MCS-51串行接口是一个半双工通信接口
- 如果同级的多个中断请求同时出现,则按CP
- 指令JC 80H
- MCS-51构成系统总线时,可提供低8位
- 在51单片机中,具有自动重装的方式为()
- 对于MCS-51工作寄存器,以下叙述正确
- MCS—51单片机上电复位后,片内专用寄