试题详情
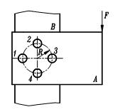
- 简答题 图示板A用4个铰制孔用螺栓固定在板B上,受力为F,则4个螺栓中受力最大为()。

- 3
关注下方微信公众号,在线模考后查看

热门试题
- 在下列联轴器中,承载能力最大是()
- 被联接件受横向力作用时,如果采用普通螺栓
- 长期连续工作的闭式蜗杆传动,必须进行()
- 直齿锥齿轮强度计算是以大端处的当量圆柱齿
- 链传动的平均传动比是变化的。
- 请简述动作功能的含义。
- 当轴的刚度不够时,可改用强度大的合金钢代
- 同一根轴的两端支承,虽然承受载荷不等,但
- 联接承受横向力,螺栓的可能的失效形式一定
- 按摩擦状态不同,摩擦可分为()。
- 对受轴向变载荷的普通螺栓连接适当增加预紧
- 图示为由圆锥齿轮和斜齿圆柱齿轮组成的传动
- 带传动工作时,带中的应力有哪些?
- 某矿车自重1KN,载重3KN,矿车的两根
- 在铰制孔用螺栓联接中,螺栓杆与孔的配合为
- 对于滚动轴承选用哪种润滑方式只与dn值大
- 旋耕机的直角刀片,因为有正切和侧切刃口,
- 设计螺栓组联接时,虽然每个螺栓的受力不一
- 要求轴的机械性能较高,可淬火性也较好可选
- 机械零件的设计准则一般有()、()、()