试题详情
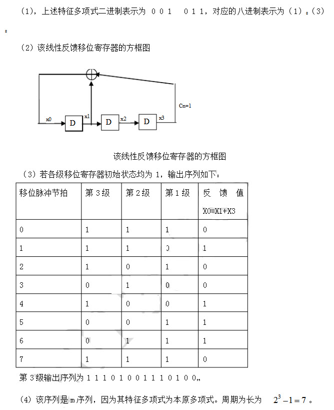
- 简答题已知线性反馈移位寄存器序列的特征多项式x3+x+1, (1)写出特征多项式的八进制表示。 (2)画出该线性反馈移位寄存器的方框图; (3)若各级移位寄存器初始状态为1,写出输出序列。 (4)该序列是否为m序列?为什么?
关注下方微信公众号,在线模考后查看
热门试题
- 2ASK信号的解调与模拟双边带AM信号的
- 通信系统中的信道噪声常简化为平稳的加性高
- 在某理想带限信道0≤f≤30
- 自相关函数只与时间间隔有关是广义平稳随机
- 设某信道具有均匀的双边噪声功率谱密度,在
- 对通信网在哪几个方面提出要求?
- 有线电信道有哪些种?
- 试定性说明相干解调和非相干解调在大信噪比
- 若采用OOK方式传送二进制数字信息,已知
- 简述调制的分类。
- m序列的全称是()。
- NO.7网中STP之间的连接方式有()
- 已知二进制数字信号的传输速率为2400b
- 由于相位和频率互为微分和积分的关系,可以
- 简述双极性波形的优缺点。
- 数字微波通信系统,载频为2G,要求在20
- 用HDB3码取代AMI码的目的是()
- 某一数字信号的传输速率为800Bd,若它
- ITU-T颁布的语音压缩标准中主要用于各
- 音频编码技术分为三类:()、()、()