试题详情
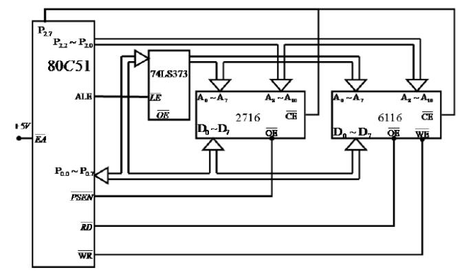
- 简答题试以一片intel 2716和一片intel 6116组成一个既有程序存储器又有数据存储器的存储器扩展系统,请画出逻辑连接图,并说明各芯片的地址范围。
-
逻辑连接图如下,地址范围为:0000H~07FFH
关注下方微信公众号,在线模考后查看
热门试题
- 已知A=0F8H,当执行ADD A,#0
- 80C51芯片不兼容8051芯片。
- MCS-51系列单片机的定时器T1用做计
- MCS-51单片机外中断初始化的内容不包
- 程序计数器PC中装的内容是当前正在执行指
- MSC-51单片机的定时器T1用作计数方
- MCS-51中的89c51单片机P3口的
- 在MCS-51中,需要外加电路实现中断撤
- A/D转换结束通常采用()方式编程。
- MOV A,#40HQ
- 将CY与A的第0位的非求或的指令是ORL
- 在51单片机内部,TMOD寄存器,是用来
- 能将累加器A的内容从低位向高位循环移一位
- MCS-51执行子程序返回指令时,把()
- 简述加、减法指令对程序状态字PSW的影响
- 使用可编程接口必须初始化。
- MCS-51单片机程序存储器的寻址范围是
- 在两个8051间用模式2进行串行通信,A
- 51单片机的片内数据存储器可分为()、位
- HSO的软件定时器中断对应的中断向量是(