试题详情
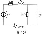
- 单项选择题 电路如图7-29所示,开关S闭合前,L和C均未储能;S闭合后瞬间,电感两端的电压uL(0+)为()V。

A、3
B、0
C、6
D、-3
- A
关注下方微信公众号,在线模考后查看

热门试题
- 旅馆建筑照明设计在满足视觉功效的同时,还
- 若逻辑函数则()。
- 由企业与机构所有和使用的数据中心,以自己
- 对于35~110kV的变电所,具有三种电
- 发电机氢气湿度过高的原因?
- 在构成D/A转换器的电路种,属于D/A转
- 下面针对直流电动机改变电枢电压调速的特点
- 某企业发行债券融资,在年名义利率相同的情
- 设10阶行列式 则D10等于().
- 频率50Hz铜60℃电流透入深度6值为(
- 如果一定量理想气体的体积和压强依照的规律
- 根据变配电所布的有关要求,下列做法正确的
- 上题所述380V母线的短路保护动作时间为
- 变电所位置的选择,应根据下列()要求经技
- 水电站有哪三大主设备?
- 不同相套管户外最小净距为:额定电压1~1
- 在简单电力系统中,如某点的三序阻抗Z
- 关于两台变压器并联运行条件的叙述不正确的
- 具有多媒体功能的微机系统常用CD-ROM
- 泵空载时,qv=0,对应的()。