试题详情
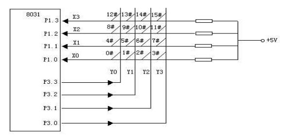
- 简答题简述行列式扫描键盘的工作原理。
关注下方微信公众号,在线模考后查看
热门试题
- C程序总是从()开始执行的。
- 中断响应时,要保护断点,入栈保护是()。
- 下列指令判断若进位位不置1转LP,否则就
- 在MCS-51单片机中,控制信号ALE是
- 8051单片机的P2口只能用作通用I/O
- 行列式(矩阵式)键盘的工作方式主要有()
- 在C51语言中,当do-while语句中
- 在单总线结构的计算机系统中,I/O设备和
- END表示指令执行到此结束。
- 汇编语言程序能直接管理和控制硬件设备。
- 在CPU通过寄存器控制器访问片内外存储器
- 什么是指令周期、机器周器和时钟周期,如何
- TPμP-40A型打印机的打印命令为15
- 能为访问程序存储器提供或构成地址的有()
- 单片机应用系统设计的一个重要特点是硬件设
- 在以下几个地址中,可以进行位寻址的单元是
- 当ICE的指令执行速度与应用系统完全一致
- 中断查询确认后,在下列各种运行情况中,能
- TPμP-40A型打印机的打印命令为15
- 为MCS-51外扩的I/O接口的地址是(