试题详情
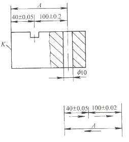
- 简答题 如图所示零件,各平面及槽均已加工,求以侧面K定位钻φ10mm孔的工艺尺寸及其偏差。

-
确定封闭环:在零件加工中直接控制的尺寸(40±0.05)mm和A,孔的位置尺寸(100±0.2)mm是间接得到的,故尺寸(100±0.2)mm为封闭环。
绘出工艺尺寸链图,自封闭环两端出发,把图中相互联系的尺寸首尾相连即得工艺尺寸链。 判断组成环的性质:从封闭环开始,按顺时针环绕尺寸良图,平行于各尺寸画出箭头,尺寸A的箭头与封闭环相反为增环,尺寸40mm为减环。
A.的基本尺寸: 100=A-40 A=140(mm)
A.的上、下偏差:
0.2=ESA-(-0.05) ESA=0.15(mm)
-0.2=EIA-0.05 EIA=-0.15(mm)
验算:式(1-6)
0.2-(-0.2)=[0.05-(-0.05)]+[0.15-(-0.15)]
0.4=0.4
各组成环公差之和等于封闭环的公差,计算无误。 关注下方微信公众号,在线模考后查看

热门试题