试题详情
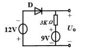
- 单项选择题在下图所示的电路中,U0为()

A、-12V
B、9V
C、-3V
D、12V
- B
关注下方微信公众号,在线模考后查看

热门试题
- 叠加定理仅适用于线性电路。
- 对于十进制的减法计数器,原始状态为相当于
- 在交流放大电路中,当三极管的()正向偏置
- 差模信号是指大小相等,极性()的输入信号
- 整流二级管和整流堆统称为()。
- 高频调谐功率放大器的动态特性中,确定动态
- 电压型交-直-交变频器中间滤波环节采用大
- 桥式整流滤波电路携带负载后的输出电压是变
- 已知图中RF=2R
- 高频调谐功率放大器中,随着Eb的增大,调
- 射极跟随器的输出电阻大,输入电阻小。
- 集电极调幅电路适用于()。
- 时序逻辑电路的输出与电路的原状态无关。
- 实际电压源和电流源模型中,其内阻与理想电
- RC正弦波振荡电路有桥式振荡电路、双T网
- 稳压二极管的反向击穿电压越大越好,反向饱
- 什么叫场效应管的开启电压和夹断电压?
- R-2R梯形电阻网络DAC中,基准电压源
- 原工作于临界状态的丙类高频功率放大器,当
- 已知RL串联电路的端电压u=220√2s