试题详情
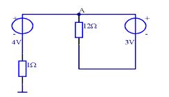
- 单项选择题 如下图所示中A点电位为()。

A、0V
B、4V
C、3V
D、7V
- B
关注下方微信公众号,在线模考后查看

热门试题
- 根据F=AB+列出真值表。
- 寄存器是一种用来暂时存放()的逻辑部件,
- 负载回路采用部分接入方式接入电路时,接入
- 画出半波整流电路的电压波形图。
- 已知逻辑函数,变量ABC分别取值()时,
- 宽带高频调谐功率放大器的工作状态一般不为
- 触发器属于()逻辑电路。
- 桥式整流滤波电路携带负载后的输出电压是变
- 获得DSB信号可采用()。
- 下面二极管符号中,()属于整流二极管的符
- 如图所示电路中A、B两点间的等效电阻为(
- 将实际问题转换成逻辑问题第一步是要先写出
- 外频、倍频和主频三者的关系如何?
- 三极管具有电流放大作用的内部条件是();
- 高频调谐功率放大器中,Ec变化,被称为调
- 在接收机系统中有AGC控制,当接收信号减
- 下图所示电路中,R1
- 什么叫零点漂移?它的指标是什么?
- 组合逻辑电路任意时刻的稳定输出只由该时刻
- 当同相比例运算电路中的R1