试题详情
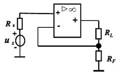
- 简答题 请判断以下电路是正反馈还是负反馈,如果是负反馈,说明反馈类型。

- 负反馈;反馈类型为电流串联负反馈。
关注下方微信公众号,在线模考后查看

热门试题
- 发光二极管的工作电流一般为()。
- 什么叫做OTP片、掩膜片,两者的区别何在
- 三相交-交变频电路主要有两种结线方式,公
- 基极固定偏置共发射极放大电路中,偏置电阻
- 微分型单稳态触发器,每被触发一次,就会输
- 由基本RS触发器组成的数码寄存器清零时,
- 电流放大系数
- 计数器可以用来()输入脉冲的个数,还可以
- 一个110V、60W的白炽灯接到50Hz
- 利用微变等效电路法,计算下图电路的电压放
- 一旦单结晶体管导通后,它就呈现负阻特性,
- 如果放大电路产生了饱和失真,可以适当减少
- π型RC滤波电路的效果较好,但其中的电阻
- 根据选频网络不同,正弦波振荡电路分为?(
- 在JK触发器中,当J=0、K=1时,触发
- 逻辑图是最接近实际的电路图。
- 高电平调制在高频功率放大器中进行。
- 丙类高频功率放大器最佳工作状态是临界状态
- 高频调谐功率放大器中,当频率升高时,晶
- 把一个5进制计数器与一个10进制计数器串