试题详情
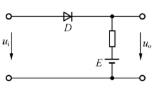
- 简答题 如图所示电路中,已知E=5V,ui=10sinωtV,二极管为理想元件(即认为正向导通时电阻R=0,反向阻断时电阻R=∞),试画出u0的波形。

-
分析:根据电路可知,当ui>E时,二极管导通u0=ui,当ui
0=E。所以u0的波形图如下图所示:

关注下方微信公众号,在线模考后查看

热门试题
- 由直流负载所获得电压波形,可分为()整流
- 为了提高放大电路的放大倍数稳定性,应该引
- 三相电源能输出()电压。
- 放大电路的负载电阻RL越大,表示电路的负
- 陶瓷滤波器的等效品质因数Qe<
- 三极管按照构成的结构不同可分为NPN和P
- 共阴极组变流电路,逆变电压正半波大于负半
- 在倒T形电阻网络DAC中,若U
- 用调制信号控制载波相位的调制方式被称为(
- 窄带高频功率放大器又被称为()。
- 为了减小负载接入对电路的影响,通过变压器
- 计算负载RL的两端
- 维—阻D型触发器是在C的()触发,当Q与
- 用场效应管构成的门电路称为()门电路。
- 当晶闸管的控制极触发使晶闸管导通后,一旦
- TTL门输入端口为()逻辑关系时,多余的
- 基尔霍夫定律只包含节点电流定律。
- 触发器是最常用的具有()的基本单元电路。
- PN结具有()导电性。
- 功率放大电路的主要目的是使负载(),为此