试题详情
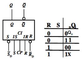
- 简答题 下图为可控RS触发器的逻辑符号和功能表(CP=1,
),根据所给的输入波形,分别画出输出端
的波形。(设触发器的初态为“0”,
) 
-
关注下方微信公众号,在线模考后查看

热门试题
- 已知图中RF=2R
- 功率放大器的效率是指什么?
- 当高频调谐功率放大器工作状态由临界状态过
- 同步信号为锯齿波的触发电路主要由脉冲形成
- 将矩形波变换三角波,需用()。
- 半导体三极管也称为晶体三极管。
- 由555定时器构成的施密特触发器,改变控
- 三极管工作在放大区时,发射结和集电结分别
- 电视机的高放和中放电路采用单调谐放大器。
- 支路电流法只能求一条支路的电流。
- 石英晶体谐振器组成的滤波器性能好,不需要
- 如果把静态工作点选在IEQ
- 共发射极放大电路的输出电阻r0
- AGC信号控制的接收系统不能包括()。
- 晶闸管是一种()半导体器件。
- 在无线电波的传输方式中,1.5MHz~3
- 用3DA4高频功率管装成放大器,测得f
- 分析调幅信号可知,调制过程是把调制信号的
- 触发器工作时,时钟脉冲作为()。
- 基极调幅应使放大器工作在欠压状态。