试题详情
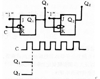
- 简答题 在下图电路中,试画出Q1、Q2的波形。若C的频率为2000HZ,那么Q1、Q2波形的频率各为多少?设原始状态Q1=Q2=0。

-
关注下方微信公众号,在线模考后查看

热门试题
- 幅度是反映交流电变化的()
- 差动放大电路能够有效的克服零点漂移问题。
- 由真值表得到的逻辑函数一般都要经过化简。
- 三极管分为三个区,分别为()区、()区和
- 广播、业余无线电通信所使用频段为()。
- 电视、调频广播和移动通信均属超短波通信。
- 画出直流电流的一般组成图,说明各组成单元
- 在下面某晶体三极管的输出特性曲线标颜色的
- 只能放大电压,不放大电流的放大电路为()
- 二进制计数器的容量是28,则最少应取触发
- 整流电路输出电压的脉冲系数S是指输出电压
- 稳压二极管的耗散功率PZM是指管子不致因
- 有两个已调波电压,其表示式分别为 试
- JK触发器是一种全功能的触发器。
- 窄带高频功率放大器又被称为()。
- 串联电压负反馈可以使放大电路()。
- 下图所示电路中,IS
- 已知RLC串联电路的参数为R=20Ω,L
- 三极管放大电路是专门放大()信号的电路。
- 单回路通频带B与谐振回路Q值成正比。