试题详情
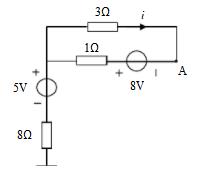
- 简答题 计算A点的电位。

- 顺时针取回路电流i,则i=2,所以UA=-8+2×1+5=-1V。
关注下方微信公众号,在线模考后查看

热门试题
- 利用工程近似法对放大电路进行动态分析时需
- 放大电路必须设置合适的静态工作点,才能正
- 反馈电阻RE的数值
- AM信号的中心频率是fc
- 如图所示电路中,已知E=5V,u
- 常用的解决高频调谐放大器的稳定性差的方法
- AB+A=A
- 下面复合管属于PNP型的复合管的组合是(
- 画出正弦量u(t)=10cos(ωt+3
- 调制信号和载波信号线性叠加也能得到调幅波
- 双调谐回路放大器工作的矩形系数为()。
- 导航、信标、电力线通信所使用频段为()。
- 在高频实用电路中,不同的通信系统中,各级
- 用调制信号控制载波幅值的调制方式被称为(
- 如某电台的调频广播频率为99.3MHz,
- 如图所示,列写节点电压或网孔电流方程,并
- 为了使放大器工作在丙类状态,则基极偏压应
- 利用集成计数器构成N进制计数器一般采用反
- 求下图所示电路的u0
- 如果运算放大器为反相比例运算,R