试题详情
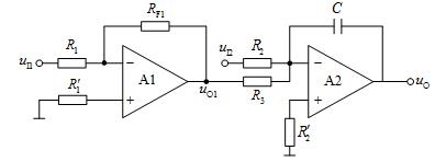
- 简答题 如下图的电路中: ①写出u0的表达式; ②设uI1、uI2的波形如下图所示,试画出u0的波形。 在图上标出t=1s和t=2s时的u0值。设t=0时电容上的电压为零。

-
①A1构成的电路为反相比例电路,A2构成的电路为积分电路,则

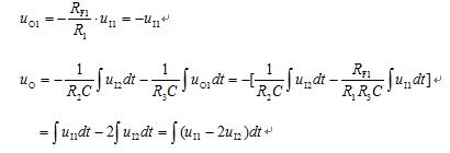
②u0的波形如下,其中t=1s时,u0=1V,t=2s时,u0=-2V
关注下方微信公众号,在线模考后查看

热门试题
- JK触发器具有()种逻辑功能。
- 将矩形波变换三角波,需用()。
- 高频功率放大器工作在临界状态,已知c<
- 调幅信号中包含信息的信号是()。
- 如果把静态工作点选在IEQ
- 具有负载的放大电路的交流负载线斜率K
- 网络安全主要解决什么问题?它的主要内容是
- 示波器在暂时不用时,或关机前应将()旋钮
- TV、遥控遥测、雷达、移动通信所使用频段
- 家用吊扇的电机属于()。
- 具有“相同出1,相异出0”功能的逻辑门是
- 三极管各个电极的对地电位如下图所示,可判
- 什么叫做OTP片、掩膜片,两者的区别何在
- 触发器是构成时序逻辑电路的基本单元。
- ()电压比较器的基准电压UR=0时,输入
- 分别测得两个放大电路中三极管的各极电位如
- 在调制通信系统中,需要传递的有用信息处于
- 用直流电压表测某电路中三只晶体管的三个电
- 在异步计数器中,当时钟脉冲到达时,各触发
- 考虑到基区载流子的渡越时间,相角θc和θ