试题详情
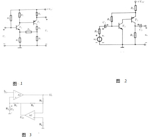
- 简答题 判断下列放大电路中的反馈类型。

-
图1:两级电压并联负反馈
图2:两级电压串联负反馈
图3:串联正反馈 关注下方微信公众号,在线模考后查看

热门试题
- 在单相半波整流电路中,若交流电压为10伏
- 检波器的非线性失真系数是指输出的低频信号
- 当电压源开路时,该电压源内部()。
- 三极管构成放大电路时,按输入信号和输出信
- 无稳态触发器
- 试判断图中各放大电路有无放大作用,简单说
- 三相共阳极整流电路,整流管总在三相相电压
- 差分放大电路能够抑制零点()。
- TV、遥控遥测、雷达、移动通信所使用频段
- 场效应管只有一种极性的载流子参与导电,固
- 格雷码相邻两个代码之间至少有一位不同。
- AM信号的中心频率是()。
- 有甲、乙两盏电灯,甲灯上标有“36V 6
- 饱和区
- 广播、业余无线电通信所使用频段为()。
- 器件在高频工作情况下,电力电子器件的损耗
- 音频、电话、数据终端通信所使用频段为()
- 杂质半导体中()的浓度对温度敏感。
- 交流电经变压后的输出电压位u2
- 高频功率放大器工作在临界状态,已知c<