试题详情
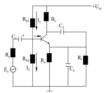
- 简答题如图所示的分压式偏置放大电路中,已Ucc=24V,R
=3.3kΩ,Re=1.5kΩ,Rb1=33kΩ,Rb2=10kΩ,RL=5.1kΩ晶体管β=66设Rs=0.试求静态值Ib、Ic、Uce 
- 计算时按下列顺序进行,先求Ub,然后依次求Ic,Ib,Uce,在直流通路中如下图所示:


关注下方微信公众号,在线模考后查看

热门试题
- 电流的相量形式为(),电压相量U=5&a
- 调幅信号中包含信息的信号是()。
- 简述二极管的特性。
- 集成运放的线性应用电路均采用()形式。
- 常用的整流电路有半波整流,全波整流和()
- 能使输入电阻提高的是()反馈。
- 滤波后,输出电压平均值增大,脉动变大。
- 差动放大电路能够有效的克服零点漂移问题。
- RS触发器具有()种逻辑功能。
- 当晶闸管的阳极电流减少到()时,晶闸管由
- 基极调幅的原理()。
- 叠加定理仅适用于线性电路。
- 有一谐振功率放大器,已知晶体管的g
- 仪表盘面上的符号,表示该表为()表。
- 在接收机系统中有AGC控制,当接收信号增
- 普通调幅波中,载波功率为1000W,试求
- 编码器的输入量是()
- 三极管微变等效电路中发射结电阻
- 集电极调幅的优点是()。
- 将矩波变换为正、负尖脉冲,需选用()。