试题详情
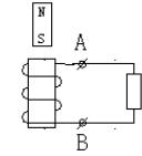
- 单项选择题 下图中,当磁铁插入线圈中,线圈中的感应电动势()。

A、由A指向B;且A点电位高于B点电位
B、由B指向A;且A点电位高于B点电位
C、由A指向B;且B点电位高于A点电位
D、由B指向A;且B点电位高于A点电位
- B
关注下方微信公众号,在线模考后查看

热门试题
- 三极管的基本功能是具有()作用。
- 三极管放大电路空载时是指()
- 三极管的任一电极都可用作输入信号和输出信
- 电感滤波电路常用在输出电压较(),负载电
- 三极管有电流放大作用也有电压放大作用。
- 在下图所示的共发射极放大电路中,已知:β
- 在闭环放大电路中,即使电路()(有|没有
- 8421BCD码是最常用的二一十进制码。
- 当交流放大电路输出电压波形的负半周失真,
- 能够抑制“零点漂移”现象的放大电路是()
- 二极管检波器如图所示,二极管的导通电阻,
- LC串联谐振回路谐振时,空载回路电流除了
- 双稳态触发器
- 集总线性电容的电荷q与所加电压u的关系是
- 在测量二极管正向电阻时,若用两手把管脚捏
- 超外差式接收系统中,喇叭的作用是完成()
- 为什么小信号检波称为平方律检波,并证明二
- 习惯上规定()运动的方向为电流的实际方向
- 通信系统中的调制传输指的是()传输。
- 基尔霍夫电流定律(KCL):任何时刻,对