试题详情
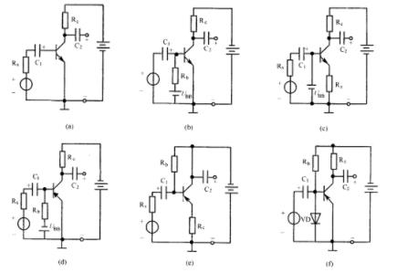
- 简答题 三极管组成电路如图(a)~(f)所示,试判断这些电路能不能对输入的交流信号进行正常放大,并说明理由。

-
图(a)电路由NPN管组成,静态情况下发射结无正向偏置,电路没有合适的静态工作点,不具备放大作用。
图(b)电路由NPN管组成,发射结满足正偏条件,但集电结不是反偏,也不具备合适的静态工作点,不能放大。
图(c)电路由NPN管组成,三极管的发射结、集电结满足正偏和反偏的条件,但发射结的偏置电源VBB将输入的交流信号旁路而不能进入三极管b,e间的输入回路,所以尽管电路具备合适的静态工作点,仍不能对交流信号进行正常的放大。
图(d)电路由PNP管组成,三极管发射结正偏,集电结反偏,交流信号能进入b,e间的输入回路,经放大后在输出端出现,放电路能进行正常的放大。
图(e)电路由PNP型管组成,三极管的发射结、集电结均满足放大的偏置条件,输入信号也能进入输入回路,但输出端无电阻Rc,故输出交流信号将经电源VCC被地短路,因此电路也不能进行正常的放大。
图(f)电路由PNP管组成,三极管的偏置满足放大的条件,二极管VD为反向偏置,在电路中起温度补偿的作用,放电路能正常的放大。 关注下方微信公众号,在线模考后查看

热门试题
- P型半导体材料又称为空穴型半导体,其多数
- 调制信号和载波信号线性叠加也能得到调幅波
- 对于共发射极放大电路,出现饱和失真的正确
- 反馈控制系统只能把误差()。
- 假设二极管为理想器件,画出下面电路中与输
- 若反馈信号正比于输出电压,该反馈为()反
- 下图所示电路中,U=20V,Z
- AGC信号控制的接收系统不能包括()。
- 并联谐振回路发生谐振时,回路总导纳为()
- 如果仪表在测量时,应倾斜60°放置,它的
- 某电阻两端的电压为12V时,电流为2A,
- 抑制载波双边带调幅在何信号过零点发生相位
- 差动放大电路的差模电压放大倍数与输出方式
- AM调制中的调制信号信息包含在载波中。
- 窄带高频功率放大器又被称为非调谐功率放大
- 调频波的解调过程称为()。
- 市电进过变压器变压、整流后的诶输出电压经
- 负载星形连接时,相电压等于线电压,相电流
- 下面复合管属于PNP型的复合管的组合是(
- 把一个5进制计数器与一个10进制计数器串