试题详情
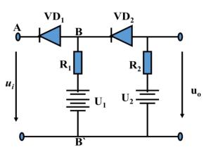
- 简答题下图电路中,VD1和VD2均为理想二极管,直流电压U1>U2,ui、uo是交流电压信号的瞬时值。试求: 1)当ui>U1时,uo=? 2)当ui2时,uo=?

- 1)uo=U2
2)uo=ui 关注下方微信公众号,在线模考后查看

热门试题
- 如图所示,通电直导体受到的电磁力为()。
- 将模拟信号转换成数字信号的电路称为()转
- 单结晶体管
- 在时钟脉冲控制下,JK触发器输入端J=0
- 放大电路中,己知三极管三个电极的对地电位
- 双向晶闸管的四种触发方式中,Ⅲ+触发方式
- 窄带高频功率放大器又被称为()。
- 在晶体管放大电路中,测得晶体管的各个电极
- 三极管分为三个区,分别为()区、()区和
- 由真值表得到的逻辑函数一般都要经过化简。
- 二极管有()PN结。
- 下面复合管属于NPN型的复合管的组合是(
- 根据下图,完成下面空格。 CD段
- LC组成一个串联谐振回路,谐振时串联阻抗
- 已知某高频功率管3DA1作为谐振功率放
- 画出典型的稳压二极管并联稳压电路图。
- 考虑到基区载流子的渡越时间,相角θc和θ
- 如果改变理想晶体管的基极电压的极性,使发
- 组合逻辑电路如下图所示。 总结该
- USB分HOST和SLAVE两大类型,请