试题详情
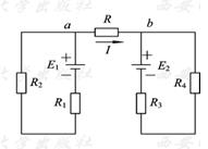
- 简答题 下图所示电路中,有多少支路和结点?Uab和I是否等于零?

-
有3条支路和2个结点,Uab和I都等于零。
关注下方微信公众号,在线模考后查看

热门试题
- 晶闸管的反向重复峰值电压应大于它的反向击
- 三相共阳极整流电路,整流管总在三相相电压
- 放大电路的静态是指()信号时的状态。
- 为了改善集电极调制特性,保持较高的效率,
- 空心线圈被插入铁芯后()。
- 峰点电流
- 单相半波可控整流电路带阻性负载时,输出电
- 十进制数100对应的二进制数是()。
- 采用反馈控制系统使得输出稳定,其原因利用
- 高频调谐功率放大器中,当频率升高时,晶
- 在截止区三极管()电流放大作用。
- 振荡电路的基本组成部分放大电路、()、选
- 由于电感线圈中储存的能量不能突变,所以电
- 对于二极管的半波整流电路,二极管通过的电
- 在规定条件下,由门极触发晶闸管使其导通晶
- 下图所示门电路的逻辑式为()
- 有一个用硅NPN外延平面型高频功率管3
- 在()计数器中,要表示一位十进制数时,至
- 下面选项中()为工作在饱和区的锗材料PN
- 射极输出器的输出电压与输入电压相位(),