试题详情
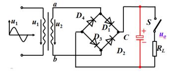
- 单项选择题对于如下图所示桥式整流滤波电路,合并开关后输出电压uo与u2的关系是()。

A、uo=0.45u2
B、uo=0.9u2
C、uo=1.2u2
D、uo=1.4u2
- C
关注下方微信公众号,在线模考后查看

热门试题
- 整流是指将交流电变成单向脉动直流电的过程
- 在稳压管稳压电路中,利用稳压管的()特性
- 采用反馈控制系统使得输出稳定,其原因()
- 在下图所示电路中,发光二极管导通电压UD
- 当二极管的负极与电路的高电位端,正极与电
- 丙类高频功率放大器,要实现基极调制放大器
- 家用吊扇的电机属于()。
- 说明下图(a)和(b)两个电路中: (1
- 振荡电路的基本组成部分,其中不正确的是(
- AM信号中,设载波信号的幅度为U
- 调幅按功率大小分为高电平和低电平。
- 在调制通信系统中,需要传递的有用信息处于
- 双调谐回路放大器工作的矩形系数为()。
- 差动放大电路的差模电压放大倍数与输出方式
- 用万用表欧姆档测某二极管时,调换二次表笔
- 一高频功率放大器工作在临界状态,已知E
- 将逻辑式F=A+B+用“与非
- 组合逻辑电路任意时刻的稳定输出只由该时刻
- 有两个输入变量的“与非”门,其输出F的逻
- 组合逻辑电路