试题详情
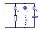
- 单项选择题 如图所示交流电路中,电压U不变,当电源频率升高,则各灯泡亮度变化是()。

A、灯A变亮
B、灯B变亮
C、灯C变亮
D、全部变亮
- D
关注下方微信公众号,在线模考后查看

热门试题
- LC串联谐振回路发生失谐时,当f<f
- 已知电路如下图所示,忽略二极管的正向导通
- LC组成一个串联谐振回路,谐振时串联阻抗
- 在数字通信系统中,同步系统用于建立通信系
- 如图所示电路中,硅稳压管DZ1
- 什么叫做OTP片、掩膜片,两者的区别何在
- 二进制计数器的容量是28,则最少应取触发
- 调频波的解调过程称为()。
- 如图所示,在电磁铁的左侧放置了一根条形磁
- 戴维南定理适合于求()条支路电流。
- 在下图中,US=5
- 空穴电流是由于自由电子递补空穴而产生的。
- 同一型号的半导体稳压二极管的稳压电压值只
- 画出串联稳压电路原理框图。
- 请判断以下电路是正反馈还是负反馈,如果是
- 晶闸管的缺点是承受过压和过流的能力()。
- 在下图所示的分压式偏置放大电路中,已知:
- 利用功放进行振幅调制时,当调制的音频信号
- 串联稳压电路有四个基本组成部分,()、基
- 在二极管的半波整流电路中,加电容C滤波后