试题详情
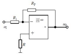
- 单项选择题 放大电路如图3.2所示,当RF增加时,该电路的通频带()。

A、变宽
B、变窄
C、不变
- C
关注下方微信公众号,在线模考后查看

热门试题
- 在下图所示电路中,R1
- 用与非门设计一个组合逻辑电路,完成如下功
- 在时钟脉冲的控制下,JK触发器根据输入信
- TV、遥控遥测、雷达、移动通信所使用频段
- 调幅信号中包含信息的信号是()。
- 稳压管的动态电阻是指()。
- 高频调谐功率放大器电路中电源Uc的作用为
- 组合逻辑电路的输出取决于()。
- 若三极管静态工作点合适,不管输入信号如何
- 饱和失真
- 电路发生谐振时,阻抗最小,电流最大。
- 下面二极管的正向导通电压最大的是()
- 如果改变理想晶体管的基极电压的极性,使发
- 所谓开环放大电路是指()的放大电路。
- 在下图所示的共发射极放大电路中,已知:β
- 电源开路时端电压为12V,短路电流是30
- 整流是指将交流电变成()的过程,通常利用
- 微波通信、卫星通信、雷达通信所使用频段为
- DSB信号的特点为()。
- 画出直流稳压电源的方框图,并叙述各个环节