试题详情
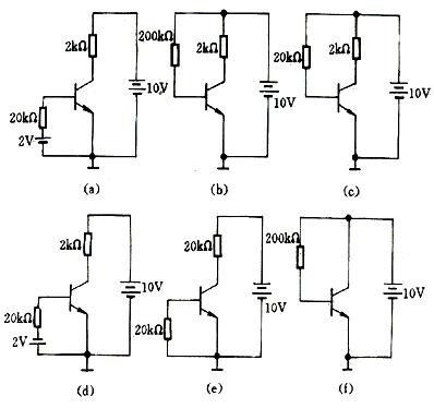
- 简答题 已知图(a)~(f)中各三极管的β均为50,UBE≈0.7V,试分别估算各电路中三极管的IC和UCE,判断它们各自工作在哪个区(截止区、放大区或饱和区)。

-
关注下方微信公众号,在线模考后查看

热门试题
- 三相共阳极整流电路,整流管总在三相相电压
- 计数器按计数的进制不同,可分为(),()
- 高频调谐功率放大器集电极电流脉冲展开系
- 请利用与非门设计一个组合逻辑电路供三人表
- 检波器产生负峰切割失真的根本原因是交、直
- 三极管的发射结处于正偏,就必工作在放大状
- 振荡电路的基本组成部分放大电路、反馈电路
- LC组成并联谐振回路,谐振频率f
- 试用逻辑代数化简逻辑式
- 对于EPROM而言,只有()信号同时有效
- ()和()是把符号位和数值位一起编码的表
- 只用万用表判别晶体管3个电极,最先判别出
- P型半导体中,多数载流子是()
- 稳压二极管的()参数越小,稳压管的稳压特
- 分压式偏置电路如下图所示,已知U
- 下图所示电路中,有多少支路和结点?U
- 场效应管的输入电阻较小,但它耗电少,因此
- 国内短波广播的波段大致为()。
- 锁相环路的组成包括:AGC和PD。
- 单边带信号通信的优点是()。