试题详情
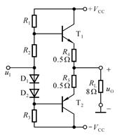
- 简答题 在图中所示电路中,已知VCC=15V,T1和T2管的饱和管压降〡UCES〡=2V,输入电压足够大。求解: (1)最大不失真输出电压的有效值; (2)负载电阻RL上电流的最大值; (3)最大输出功率Pom和效率η。

-
(1)最大不失真输出电压有效值

(2)负载电流最大值

(3)最大输出功率和效率分别为
关注下方微信公众号,在线模考后查看

热门试题
- 当非线性器件满足伏安特性时,能否用它实现
- 模、数转换器通常要经过()、()、()和
- ()运算电路可实现Au
- 三极管工作在饱和区时,由于集电极电流较大
- 如图所示三极管的输出特性曲线,试指出各区
- 下面选项中()正常工作时,处于反向击穿状
- 振荡电路的基本组成部分放大电路、()、选
- 高频电子技术中所研究的广义高频工作频率范
- 理想运算放大器电路运算符合()和()两个
- 如图所示电路中R=8KΩ,R
- 下图中,当磁铁插入线圈中,线圈中的感应电
- 如图所示大信号二极管检波电路中,二极管的
- 测量仪表的准确度,可分为()个等级。
- 差动式放大电路抑制零漂作用强,放大作用也
- 为保证稳压二极管正常工作,应将二极管工作
- KCL、KVL不适用于()
- 人的正常听力的频率范围为()。
- 已知:某射极输出器中RB
- 在触发器电路中,利用SD端、RD端可以根
- 集电极调幅电路工作于过压状态,优点是()