试题详情
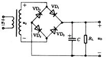
- 简答题 在下图的桥式整流、电容滤波电路中,U2=20V(有效值),RL=40Ω,C=1000μF。试问: ①正常时UO(AV)=? ②如果电路中有一个二极管开路,UO(AV)是否为正常值的一半? ③如果测得UO(AV)为下列数值,可能出了什么故障: (a)UO(AV)=18V; (b)UO(AV)=28V; (c)UO(AV)=9V。

-
关注下方微信公众号,在线模考后查看

热门试题
- DSB信号的特点为包络正比于调制信号的绝
- 逻辑函数式A+A,简化后的结果是()。
- 三相交流调压电路可以接成三相三线制电路。
- 对于共集电极放大电路,出现饱和失真的正确
- 简述FPGA和ASIC的概念,他们的区别
- 在如下图所示电路中,当电源V=5V时,测
- 电路如下图所示,求其输出电压Uo等于多少
- JK触发器具有()种逻辑功能。
- 零漂信号是一种缓变的干扰信号,主要是温度
- 模、数转换器通常要经过()、()、()和
- 调幅接收机采用AGC电路的作用()。
- 1μF与2μF的电容器串联后接在30V的
- 若反馈信号正比于输出电压,该反馈为()反
- “与”门的逻辑功能是“有1出1,全0出0
- 负载星形连接时()
- 在三极管放大电路中,若静态工作点偏低,容
- 发光二极管、整流二极管、稳压二极管都必须
- ()BCD码是最常用也是最简单的一种BC
- 交流电经变压后的输出电压位u2
- 下图所示电路中,有多少支路和结点?U