试题详情
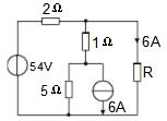
- 简答题 试求下图所示电路中电阻R的值。

-
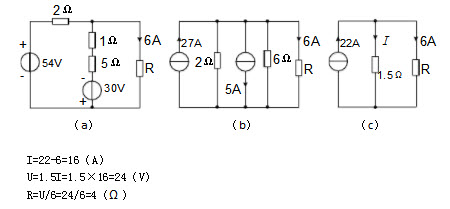
解法一:等效变换
对题图作如下一系列顺序的等效变换,最后得下图(c),由图(c)可得:

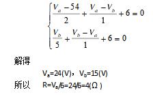
解法二:节点电位法
设1Ω电阻上、下两端电位分别为Va和Vb,写出KCL方程:

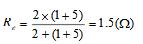
解法三:戴维南定理法

(1)断开电阻R,计算开路电压Uoc。上图6(a)中电流I1为

(2)断开电阻R,使电压源为0,求等效电阻Re

即得戴维南等效电路(见图6c),由图知
关注下方微信公众号,在线模考后查看

热门试题
- 放大电路的动态是指()信号时的状态。
- 三极管接入电路的方式有三种,分别为()、
- 如果适当增大集电极电阻RC,则放大电路的
- 按二极管用途不同,可分为普通二极管、整流
- 如果运算放大器为反相比例运算,R
- 由基本RS触发器组成的数码寄存器清零时,
- 放大区
- 获得DSB信号可采用()。
- 条形磁铁磁场最强的地方是()。
- ()比例运算电路的输入电阻大,()比例运
- 如图所示大信号二极管检波电路中,二极管的
- 一个110V、60W的白炽灯接到50Hz
- 相电压是指火线与零线之间的电压。
- 已知某高频功率管3DA1作为谐振功率放
- 存储器芯片中采用地址复用技术有什么优点?
- P型半导体中,多数载流子是()
- 集电极调幅的原理用调制信号去控制集电极的
- 射极输出器()(填能/不能)做功率放大器
- 若电阻元件的伏安特性可以用一条通过、平面
- 采用反馈控制系统使得输出稳定,其原因利用