试题详情
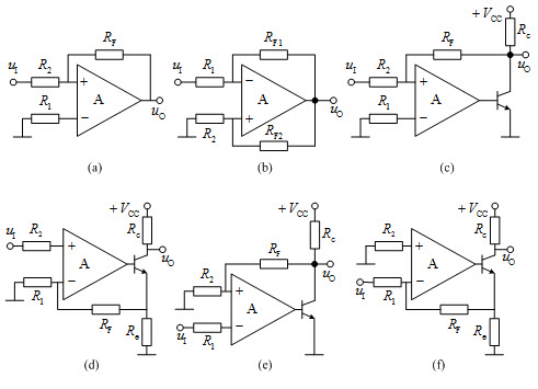
- 简答题 试判断下图各电路中反馈的极性和组态。

-
(a)RF——电压并联正反馈;
(b)RF1——电压并联负反馈;RF2——电压串联正反馈;
(c)RF——电压并联负反馈;
(d)RF——电流串联负反馈;
(e)RF——电压串联负反馈;
(f)RF——电流并联负反馈。 关注下方微信公众号,在线模考后查看

热门试题
- 已知放大电路的电压放大倍数为100,当输
- 在调制通信系统中,作为载波使用的信号处于
- 脉宽调制法
- 接负载后,放大电路的放大倍数要()
- 多频幅度调制时,调幅波带宽为基频调制信号
- 高电平调幅器应用在()。
- 有一单相半波可控整流电路,RL
- PLL的锁定是指()。
- 电路如下图所示,已知输入电压U
- 当二极管处于正向导通状态时,通过二极管的
- 单回路通频带B与谐振频率f成正比。
- 同一型号的半导体稳压二极管的稳压电压值只
- 滤波后,输出电压平均值增大,脉动变大。
- 负载三角形连接时,相电压等于线电压,线电
- 什么是竞争与冒险现象?如何消除?
- 三极管具有电流放大作用的内部条件是();
- 调幅波的解调过程称为()。
- 电路中引入正反馈,如果AuF=1,则可使
- 频率在1.5MHz~30MHz,借助电离
- 负载回路采用部分接入方式接入电路时,接入