试题详情
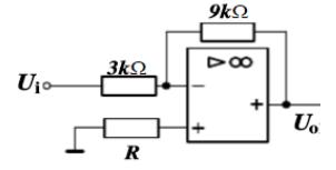
- 简答题电路如下图所示,已知输入电压Ui=2V,求其输出电压Uo等于多少V?

- Uo=-(9kΩ/3kΩ)Ui=-3×2V=-6V
关注下方微信公众号,在线模考后查看

热门试题
- 陶瓷滤波器的通带比()窄。
- 单电源放大电路空载时,在其他参量不变的条
- 某一带负反馈的闭环放大电路,其基本放大电
- 在闭环放大电路中,即使电路()(有|没有
- 语音信号的频率范围为()。
- 交流电经变压后的输出电压位u2
- 根据导电能力来衡量,自然界的物质可以分为
- 数字逻辑电路中三种基本逻辑关系是什么?能
- 基本RS触发器的原始状态Qn为“0”态,
- 射极跟随器的特点是()
- 三极管的主要功能是(),三极管电流放大作
- 电流型逆变电路中,交流侧输出电流波形为(
- 电视机的高放和中放电路采用单调谐放大器。
- 硅稳压二极管的稳压电路如下图所示,若Uz
- 组合逻辑电路的输出取决于()。
- 三极管的一个电极作为公共端后,其他两个电
- 高频功率放大器工作在临界状态,已知c<
- 将十进制数9写成二进制数应是()
- 对于耗尽型绝缘栅场效应管,不论栅—源电压
- 根据下图,完成下面空格。 AB段