试题详情
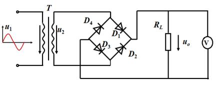
- 单项选择题交流电经变压后的输出电压位u2,如图所示,其有效值为20V,若二极管为理想二极管,则直流电压表(内阻无穷大)的正负极性为(),读数为().

A、上正下负 28V
B、下负上正 28V
C、上正下负 18V
D、下负上正 18V
- C
关注下方微信公众号,在线模考后查看

热门试题
- 利用丙类调谐功率放大器实现丙类倍频器,当
- 根据选频网络不同,正弦波振荡电路分为()
- 用一个电激流和内阻并联表示的电源称为()
- 当高频调谐功率放大器工作在临界状态,当谐
- 具有保持和翻转功能的触发器是()。
- 画出数字通信系统的基本组成方框图?
- 放大电路带负载时,静态工作点Q将随输入信
- 具有“相异出1,相同出0”功能的逻辑门是
- 将模拟信号转换成数字信号的电路称为()转
- 高频调谐功率放大器一般工作在()。
- RS触发器具有()种逻辑功能。
- 为保证基极调幅电路始终工作在欠压状态和充
- 试求下图所示电路中电阻R的值。
- 微分型单稳态触发器,每被触发一次,就会输
- 简述FPGA和ASIC的概念,他们的区别
- 如图所示电路中,已知E=5V,u
- 什么是共模信号和差模信号?差动放大电路如
- 什么是竞争与冒险现象?如何消除?
- 电路是由电源、()、导线和开关等中间环节
- 放大电路在输入量不变的情况下,引入()后