试题详情
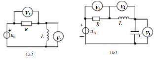
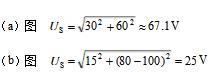
- 简答题 已知图(a)中电压表读数V1为30V;V2为60V。图(b)中电压表读数V1为15V;V2为80V;V3为100V。求图中电压US。

-
关注下方微信公众号,在线模考后查看

热门试题
- 将多级单调谐放大器级联,级联后带宽变()
- 集电极调幅电路适用于大功率发射机。
- 发射机的中间级高频功率放大器,应工作在过
- 测量放大电路中三极管的管压降U
- 晶体管输入电阻rbe
- 三极管具有放大作用的内部条件是基区一定要
- 检波器的非线性失真系数是指输出的低频信号
- 下图所示电路,二极管的导通电压为0.7V
- 已知某晶体管的转移特性,其转移导纳g=
- 在()放大电路中,输出电压与输入电压反相
- 环形二极管调幅电路的特点是()。
- 调幅波的解调过程称为()。
- 一只三极管的β=50,当IB<
- 交流电经变压后的输出电压位u2
- 用3DA4高频功率管装成放大器,测得f
- 如果在1min之内导体中通过120C的电
- 根据选频网络不同,正弦波振荡电路分为?(
- 根据选频网络不同,正弦波振荡电路分为()
- 电路负载所消耗的有功功率P=UIcosφ
- 电视、调频广播和移动通信均属()通信。