试题详情
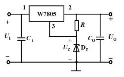
- 单项选择题 在下图所示的稳压电路中,已知UZ=6V,则UO为()

A、1V
B、5V
C、6V
D、11V
- D
关注下方微信公众号,在线模考后查看

热门试题
- 共阴LED数码管应与输出()电平有效的译
- 已知下图所示电路中U=8V,Z=(1-j
- 放大电路在其他参量不变化的条件下,改变三
- 集电极调幅应使放大器工作在欠压状态。
- LC串联谐振回路的空载品质因数除了与L、
- 多频幅度调制时,调幅波带宽为基频调制信号
- 若晶闸管的控制电流由大变小,则正向转折电
- 有一调幅波方程为
- 具有右移功能的移位寄存器,输入的数码应从
- 编码器属于()逻辑电路。
- 三极管处在放大区时,其()电压小于零,发
- 稳压电源是一种能将交流电转换成稳定直流电
- 理想运算放大器电路运算符合()和()两个
- ()是用作放大电路的输出级,以驱动扬声器
- 交流电经变压后的输出电压位u2
- 直接耦合
- 支路电流法只能求一条支路的电流。
- 如下图所示电路,若R1电阻开路,则该电路
- 负载回路采用部分接入方式接入电路时,接入
- 国内中波广播的波段大致为()。