试题详情
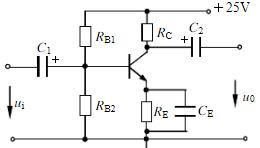
- 简答题 如图所示分压式偏置放大电路中,已知RC=3.3KΩ,RB1=40KΩ,RB2=10KΩ,RE=1.5KΩ,β=70。求静态工作点IBQ、ICQ和UCEQ。

-
静态工作点为:VB=(25×10)/(40+10)=5V
IVQ≈IEQ=(5-0.7)/1.5≈2.87mA
IB=2.87/(1+70)≈40μA
UCE=25-2.87(3.3+1.5)≈11.2V 关注下方微信公众号,在线模考后查看

热门试题
- LC串联谐振回路发生失谐时,阻抗为()。
- 单边带高频信号的成分有()。
- 寄存器中,一个触发器可以存放()位二进制
- 并联谐振回路发生谐振时,电压为最小值。
- 稳压二极管的(),说明稳压二极管的稳压特
- 将三角波变换为矩阵波,需选应用()。
- 戴维南定理适用于任何一个二端网络。
- 下图所示是由两个运算放大器组成的运算电路
- 由555定时器构成的单稳态触发器,改变控
- 用万用表电阻档检测大电容器质量时,若指针
- 单相半波可控整流电路带阻性负载时,输出电
- 基本RS触发器的原始状态Qn为“0”态,
- 稳压二极管的动态电阻rz
- 波长比短波更短的无线电波称为()。
- 下图所示是利用两个运算放大器组成的具有较
- 共发射极放大电路的输出电阻r0
- 数字电路中,输入信号和输出信号之间的关系
- 为了稳定放大电路的输出电压,应该引入()
- 集成运算放大器输出级的输出电阻越小,则集
- LC串联谐振回路对偏离谐振频率的信号抑制