试题详情
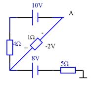
- 单项选择题 电路如下图所示,A点的电位为()。

A、6V
B、8V
C、-2V
D、10V
- A
关注下方微信公众号,在线模考后查看

热门试题
- 电源等效变换时,内阻是可以改变的。
- 一个直接耦合两级放大电路如图(a)所示。
- 单回路通频带B与谐振频率f成正比。
- 交流负反馈虽然降低了电压放大倍数,但是它
- 所谓调制就是用调制信号控制载波信号的振幅
- PN结具有()性。PN结的正向偏置是指(
- 如下图所示的功放电路中,已知V
- 在高频调谐功率放大器调试过程中,为保证晶
- 高电平调幅器应用在发射机中间级。
- 在下图所示的单相桥式整流电路中,已知变压
- 下图所示电路中,Y恒为0的图是()
- 运算放大器在线性区域内,可实现各种模拟信
- 用3DA4高频功率管装成放大器,测得f
- 单相桥式半控整流电路一共有()只晶闸管。
- 不属于解决高频调谐放大器的稳定性差的方法
- UA表示放大电路中
- 为了有效地发射电磁波,天线尺寸必须与()
- 窄带高频功率放大器又被称为()。
- 陶瓷滤波器体积小,易制作,稳定性好,无需
- 下图所示是利用两个运算放大器组成的两级运